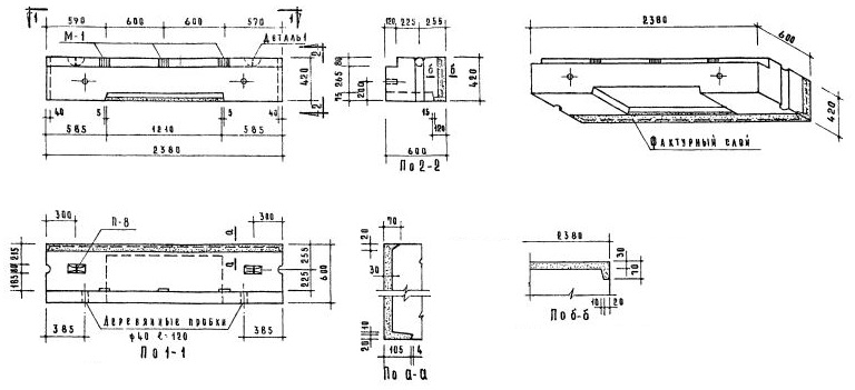
НБ-24.4.6П

Чертеж изделия:
Чертеж НБ-24.4.6П
Характеристики изделия:
ПараметрЗначение
Длина2380 мм
Ширина600 мм
Высота420 мм
Масса1080 кг
Нормативный документСерия 1.133-1

Стеновые легкобетонные блоки толщиной 60 см по Серии 1.133-1.

НБ-24.4.6П  Перемычечный блок.